|
|
 |
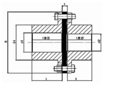
JZM膜片式联轴器 |
|
| |
|
| |
JZM型膜片联轴器是我国重点推广应用的高性能挠性联轴器,且工业发达国家已普遍采用。
具有机械强度高、承载能力大、质量轻、结构尺寸小,传动效率和传动精度高、可靠性好、装拆方便,且具有无相对滑动,不需润滑,使用寿命长、无噪声、耐酸、碱、防腐蚀等特点,可用于高温、低温和有油、有水和腐蚀介质的工况环境。适用于中、高速、大转矩轴系传动。以及各种机械装置载荷变化不大的轴系传动,通用性极强。
范围从40N.m-180000N.m 型号:JZM1-JZM30
型号 |
公称转距
Tn/N.m |
瞬时ZUI大
转距
Tmax/N.m |
ZUI大转速
n/r.min |
轴承直径
d1,d2 |
轴孔长度 |
D |
t |
质量
m/kg |
转动惯量
I/kg.㎡ |
J1型 |
Y型 |
L推荐 |
L |
L |
JZM1 |
40 |
63 |
10700 |
14 |
27 |
32 |
35 |
80 |
8±0.2 |
1.9 |
0.0005 |
16,18,19 |
30 |
42 |
20,22,24 |
38 |
52 |
25,28 |
44 |
62 |
JZM2 |
63 |
100 |
9300 |
20,22,24 |
38 |
52 |
40 |
92 |
2.7 |
0.0011 |
25,28 |
44 |
62 |
30,32,35,38 |
60 |
82 |
JZM3 |
100 |
200 |
8400 |
25,28 |
44 |
62 |
45 |
102 |
5.1 |
0.002 |
30,32,35,38 |
60 |
82 |
40,42,45 |
84 |
112 |
JZM4 |
250 |
400 |
6700 |
30,32,35,38 |
60 |
82 |
55 |
128 |
11±0.2 |
7.6 |
0.006 |
40,42,45,48,50,55 |
84 |
112 |
JZM5 |
500 |
800 |
5900 |
35,38 |
60 |
82 |
65 |
145 |
15.7 |
0.012 |
40,42,45,48,50,55,56 |
84 |
112 |
60,63,65 |
107 |
142 |
JZM6 |
800 |
1250 |
5100 |
40,42,45,48,50,55,56 |
84 |
112 |
75 |
168 |
14±0.3 |
17.2 |
0.024 |
60,63,65,70,71,75 |
107 |
142 |
JZM7 |
1000 |
2000 |
4750 |
45,48,50,55,56 |
84 |
112 |
80 |
180 |
15±0.4 |
23.9 |
0.0365 |
60,63,65,70,71,75 |
107 |
142 |
80 |
132 |
172 |
更多 |
|